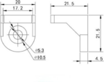
Drehwinkel für 20×20 Nut 6, B-Typ (inkl. Verschraubung)
Sichere Verbindung von zwei Aluminium-Profilen. Für beliebige Winkel zwischen 0° und 180°
Produktdaten Drehwinkel 20×20 B-Typ Nut 6:
Nut: 6
Typ: B
Winkelgröße: zwischen 0° und 180°
Material: Zinkdruckguss
Set: 1x Drehwinkel, 2x Senkkopfschrauben M5x8, 2x Hammermutter M5 Nut 6
